物理学文章列表
演示实验在中的不可替代性
摘要:本文阐述了演示实验在物理教学中的重要性和不可替代的作用。说明了演示实验在物理教学过程中的注意点,对发挥演示实验的作用,提高演示效率,...
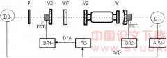
激光回馈波片位相延迟测量的误差源及消除方法
摘 要:激光回馈是一种新型的波片位相延迟测量的方法。将波片放置在激光器与回馈镜之间,可使激光回馈波形产生偏振 90 度旋转(即跳变)现象,而两...
自动微分转换系统及其应用
摘要 自动微分转换系统(DFT)由LASG和LSEC联合研制开发,目前已拥有成熟的版本。本文对DFT系统的功能、特色及其基本应用作了全面的介绍,并给出了...
浅谈物理学中的人文文化
摘要:物理学作为一门最基础的自然学科,在产生形成发展的过程中,蕴含着丰富的人文文化。为了充分挖掘自然科学中的人文思想,加强科学文化与人文文...
用实践的方法破译“地球磁场逆转”之谜
实践是检验真理的唯一标准。而地壳弦动仪就是检验地壳存在弦动运动的仪器。 地球磁场逆转,是世界各国科技界共同关注的重大课题。关于地球磁场逆转...
库仑定律的发现过程与启示
【摘 要】文章阐述了人类认识电力的历史和库仑定律的发现过程,以及科学家对库仑平方反比定律的验证和影响。 【关键词】静电学;库仑定律;平方反比...
浅谈受力分析的方法
摘要:整体法和隔离法是力学部分常用的分析方法。可以先隔离再整体,也可以先整体再部分隔离。这就是整体法与隔离法的综合应用。整体法与隔离法的综...
纳米科学和技术的二次浪潮
摘要:在过去的十年里纳米科学的首次浪潮澎湃而过。在此期间,国际、国内以及香港的学者已向世人证实他们可以采用build-up或build-down的办法制造大...
《磁场中的电化学反应》实验报告
一、前言 现有制造电池、蓄电池的原理是电化学反应。电极是不同种元素、不同种化合物构成,产生电流不需要磁场的参与。 目前有磁性材料作电极的铁镍...
研究物理的终极目的是属性
提要:当我们已经获得了事物的属性(本质或本能)的认识(确切的认识)时,就已经是认识的最终结果了。如果还要问属性来源于什么,就画蛇添足了。 我...
正反态物质及新宇宙模型
我们知道,在著名的Dirac方程中,出现了负能态。一时期有人建议将它强行抛弃。但是,后来发现,有两条基本理由反对抛弃负能态。第一条理由是理论物...
分子生物学中钾离子通道研究进展
摘要:钾离子通道是植物钾离子吸收的重要途径之一。近年来,已从多种植物或同种植物的不同组织器官中分离到多种钾离子通道基因,包括内向整流型钾离...
潮汐成因另探
提要 我否定了潮汐的引力解释。那么,我就提出了一个假说:潮汐的成因应该是由太阳的光热使海洋表面产生热胀冷缩,又由于地球的自转,就形成了潮汐...
原子核接触形结构形式
摘要 : 物理理论有两个断层:一个核力性质,一个是核的结构。第一部份该说核力的性质,但全是推导,根据不多。第二部份谈谈核的具体结构,间接的根...
三旋运动的动力问题
有物质就必有运动,运动是物质存在方式,两者不可分割地联系在一起,物质的比较量度为质量m,运动比较量度为能量E,两者成正比,即质能正比关系。 E...
论经典力学范围内现行的惯性观
摘要: 对经典力学范围内现行的惯性观提出了不同的看法,认为对于惯性要区分:个别研究对象的性质与存在的性质;保持某种状态的性质与改变某种状态的...
随机阅读
- [物理学] 激光回馈波片位相延迟测量
- [物理学] 双频地电场理论
- [物理学] 浅谈物理学思想发展与文化
- [物理学] 时空相对论
- [物理学] 潮汐成因另探
- [物理学] 论经典力学范围内现行的惯
- [物理学] 惯性的解释
- [物理学] 自动微分转换系统及其应用
- [物理学] 原子核接触形结构形式
- [物理学] 潮汐成因另探
- [物理学] 激光回馈波片位相延迟测量
- [物理学] 论经典力学范围内现行的惯
- [物理学] 《磁场中的电化学反应》实
- [物理学] 用实践的方法破译“地球磁
- [物理学] 浅谈受力分析的方法
- [物理学] 惯性的解释
- [物理学] 分子生物学中钾离子通道研








